+38 044 496-18-88
+38 044 496-18-18
Контакты
Написать
Энергоэффективные электродвигатели WEG в Украине
Габаритные размеры электродвигателей на лапах
Габариты с 63 по 112
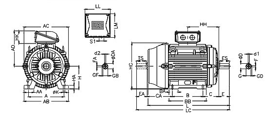
Габариты с 132 по 200
Габариты с 225 по 355M/L
Габарит 355M/L (только для двигателей с воздухоотражателем на стороне приводного вала)
Размеры фланцев "FF" (B5)
Размеры фланцев "C-DIN" (B14)
Вверх страницы
Обзор продукции
Каталоги и документация
Преимущества
Электродвигатели
Электродвигатели W20
Новинка!
Электродвигатели W22
Концепция двигателя W22
Дизайн двигателя W22
Технические особенности
Технические характеристики
Паспортные данные электродвигателей
Габаритные размеры
Вал / Подшипники
Упаковка электродвигателей
down.php
Низковольтные электродвигатели
Высоковольтные электродвигатели
Специального применения
Редукторы / Мотор-редукторы
Подбор редукторов
Линейка продукции
Устройства плавного пуска
Обзор
Серия SSW05 до 85А
Серия SSW06 до 1400А
Серия SSW07 до 412А
Серия SSW08 до 412А
Преобразователи частоты
Обзор преобразователей
Серия CFW11 до 400кВт
Серия MVW01 до 6000кВт
Защита электродвигателей
Интеллектуальное реле SRW01
Популярные страницы
Для отображения блока требуется установить
Flash Player
Продукция
О концерне WEG
О нашей компании
Инфо Центр
Сервис
Галерея
ПОИСК